気泡センサー
超音波は、液体中を伝搬しやすい性質を持っていますが、液体中に空気(気泡)が存在する場合、
伝搬効率が低くなり、超音波の受信強度も弱くなります。超音波気泡検知センサは、
この関係を利用して気泡検知を行います。検知可能な気泡サイズは、1μL以上となります。
但し、センサの設定方法や発信方法などにより異なります。
※2020年10月時点での情報となります。

超音波の伝搬効率が高いほど、受信感度が強くなる。
[ 伝搬効率 = 受信強度 ]
※1 チューブ径は、検知可能なサイズです。詳細はお問い合わせください。
仕様

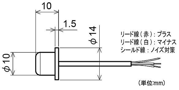
外形図

・センサホルダー使用例

貸出機についての詳細は、お問い合わせください。
注1)気泡センサ 2個、センサホルダー 1個 のみの貸し出しになります。
駆動回路・オスロスコープは含まれません。
注2)周波数の選定をお願いします。(2MHz/3MHz)
製品に関するお問い合わせ
フォームが表示されるまでしばらくお待ち下さい。
恐れ入りますが、しばらくお待ちいただいてもフォームが表示されない場合は、こちらまでお問い合わせください。

